Page 1 of 1
Motor mount
Posted: Thu Sep 26, 2013 10:20 pm
by pfarber
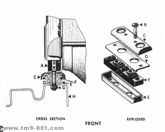
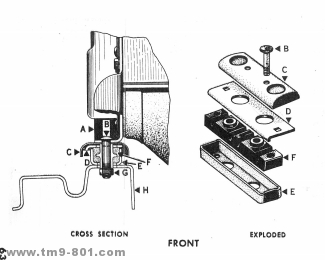
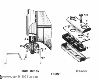
The front motor mount for a G508 is pretty much the same as for all GM I6s in the 40s. A 4 part deal that sandwiches a rubber vibration dampener between two plates and a grease/oil shield.
From the SNL:

- mount.PNG (39.99 KiB) Viewed 21809 times
The parts are readily available.. but not from a single source.

- rP9260228.JPG (133.88 KiB) Viewed 21809 times
The most common issue is that the SHIELD [C] is missing... its a simple stamped part and its job is to keep the oil/grease off the rubber. Oil will soften the rubber and it will lose its vibration dampening properties. There is a SPECIFIC measurement, adjusted by grinding the RETAINER [E] flanges to fit. The process is not in the TMs that I can find, but its in the civvy service manual for 48-51 235. My 42 Chevvy shop manual does not address the spacing.

- civmount.PNG (95.69 KiB) Viewed 21809 times
Re: Motor mount
Posted: Mon Sep 30, 2013 11:34 am
by pfarber
Here is the parts breakout for the CCKW mount:

- cckwmount.PNG (35.1 KiB) Viewed 21803 times
mount to crossmember bolts

- cckwbolts.PNG (41.4 KiB) Viewed 21803 times
Timing cover bolts
This is different from the civvy mount as the CCKW/G506 uses a slotted nut an cotter pin to retain the mount.
Re: Motor mount
Posted: Mon Oct 21, 2013 3:14 pm
by pfarber
Well, this is interesting.
The REAR motor mounts I got that 'fit' the G506 and G508 are a bit unique. The G506 SNL does not go into the mount bolts... but the G508 SNL is explicit.

- snlmm.PNG (90.93 KiB) Viewed 21796 times

- rmm.PNG (19.83 KiB) Viewed 21796 times
Part L, or the bolt: 9/16-18NF-3 x 1 1/8.
Smart readers will say 'hey.. that's to many numbers for a bolt spec!'. No. NF is 'National Fine' the -3 is a thread classification:
"Threads are also designated by Class of fit. The Class of a thread indicates the tolerance allowed in manufacturing. Class 1 is a loose fit, Class 2 is a free fit, Class 3 is a medium fit, and Class 4 is a close fit. Aircraft bolts are almost always manufactured in the Class 3, medium fit. "
That's why a normal 9/16-18NF bolt 'almost' threads... the thread tolerance it to lose... it needs a -3 fit.
Shouldn't be to hard to find

Re: Motor mount
Posted: Mon Oct 21, 2013 3:33 pm
by pfarber
Found an NF-3 bolt.. its a cap screw.. and $6 per.
Code: Select all
http://www.fastenal.com/web/products/fasteners/sockets/socket-cap-screws/_/Navigation?term=&termca=&termpx=&sortby=webrank&sortdir=descending&searchmode=productSearch&zipcode=&filterByStore=&filterByVendingMachine=&r=~|categoryl1:%22600000%20Fasteners%22|~%20~|categoryl2:%22600039%20Sockets%22|~%20~|categoryl3:%22600040%20Socket%20Cap%20Screws%22|~%20~|attrdiameter:710|~%20~|attrlength:1350|~%20~|sattr06:^Fine$|~

- boltclass.PNG (49.22 KiB) Viewed 21795 times
Class 3A... just what you need.